MPC8349ECVVAJDB是FREESCALE/飛思卡爾生產的微控制器。MPC8349ECVVAJDB包含一個基于Power Architecture?技術的處理器核心,該技術具有用于網絡、存儲和通用嵌入式應用程序的系統邏輯。

規格:
– 處理器類型:PowerPC
– 處理器核心:e300c3
– 處理器主頻:400 MHz
– 內存控制器:DDR2 SDRAM
– 存儲器接口:NAND Flash、NOR Flash、SDRAM、SRAM
– 網絡接口:2個千兆以太網口、2個10/100以太網口
– 其他接口:USB、UART、I2C、SPI、PCI、CAN、GPIO
– 工作溫度范圍:-40C ~ +105C
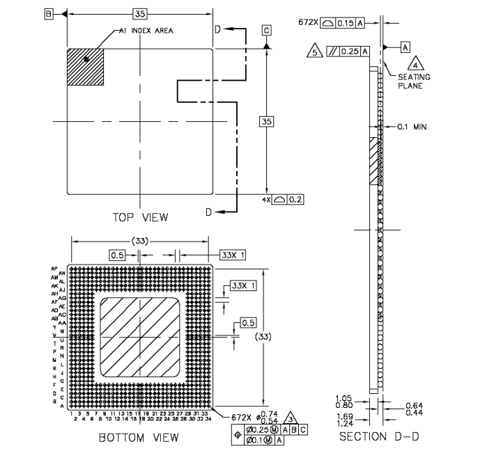
– 封裝形式:TBGA-672
– 供電電壓:1.2V、2.5V、3.3V
應用領域
網絡設備
工業控制
嵌入式系統等。
MPC8349ECVVAJDB方框圖

封裝

詢價列表 ( 件產品)
哦! 它是空的。