ST(意法半導體)的型號STM32F407IET6屬于32位MCU微控制器,基于高性能Arm?Cortex?-M4 32位RISC內核,工作頻率高達168MHz。Cortex-M4內核具有浮點單元(FPU)單精度,支持所有Arm單精度數據處理指令和數據類型。它還實現了一整套DSP指令和一個增強應用程序安全性的內存保護單元(MPU)。

STM32F407IET6包含高速嵌入式存儲器(閃存高達1兆字節,SRAM高達192兆字節)、高達4兆字節的備份SRAM,以及連接到兩條APB總線、三條AHB總線和32位多AHB總線矩陣的大量增強型I/O和外圍設備。
STM32F407IET6提供三個12位ADC、兩個DAC、一個低功耗RTC、十二個通用16位定時器(包括兩個用于電機控制的PWM定時器)、兩個通用32位定時器。真隨機數發生器(RNG),它們還具有標準和高級通信接口。
意法半導體STM32F407IET6的中文參數
品牌:ST(意法半導體)
產品分類:32位MCU
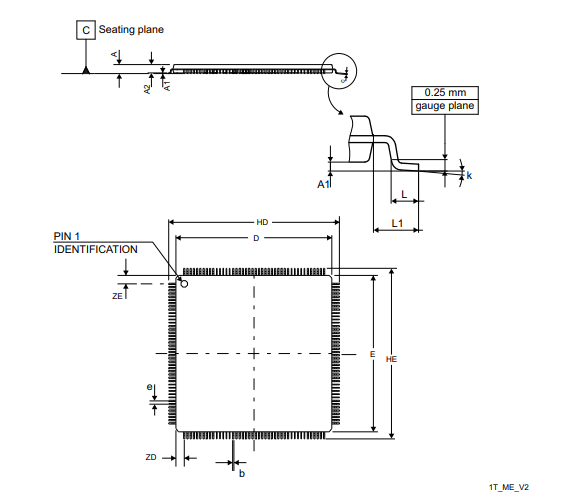
封裝:LQFP-176_24x24x05P
包裝:托盤
產品應用:通用類MCU
核心處理器:ARMCortex-M4
內核規格:32-位
速度:168MHz
連接能力:CANbus,DCMI,EBI/EMI,以太網,I2C,IrDA,LINbus,SPI,ART/USART,USBOTG
外設:欠壓檢測/復位,DMA,I2S,LCD,POR,PWM,WDT
I/O數:140
程序存儲容量:512KB(512Kx8)
程序存儲器類型:閃存
RAM大小:192Kx8
電壓-供電(Vcc/Vdd):1.8V~3.6V
數據轉換器:A/D24x12b;D/A2x12b
振蕩器類型:內部
工作溫度:-40°C~85°C(TA)
安裝類型:表面貼裝型
基本產品編號:STM32F407
HTSUS:8542.31.0001
意法半導體STM32F407IET6的功能特點
1、內置ARM Cortex-M4內核:STM32F407IET6具有高性能的32位處理能力和高性能的浮點單元,可以實現快速和精確的數據處理。
2、工作頻率高:STM32F407IET6的主頻可以達到168MHz,使其適用于要求高計算速度的應用。
3、豐富的外設和接口:STM32F407IET6內部集成了多個外設和接口,包括多個通用定時器、串行接口、SPI接口、I2C接口、GPIO和ADC等,使其具有很強的擴展性和適應性。
4、大容量存儲器:STM32F407IET6擁有1MB的Flash存儲器和192KB的SRAM,可提供足夠的存儲空間和數據緩存空間。
5、低功耗特性:STM32F407IET6支持多種低功耗模式,如睡眠模式和停機模式,以滿足對功耗要求較高的應用場景。
6、強大的中斷控制和時鐘控制功能:STM32F407IET6提供了全面的中斷控制機制和時鐘控制功能,以滿足不同應用的需求。
意法半導體STM32F407IET6的應用領域
STM32F407IET6是一款高性能MCU微控制器,其主要應用領域如下:
工業自動化:STM32F407IET6可以用于工廠自動化控制系統、機器人控制、過程控制和監控等方面。
醫療設備:在醫療設備中,STM32F407IET6可應用于可穿戴醫療設備、醫療監護儀、醫療圖像處理等。
消費電子:STM32F407IET6可用于智能手機、平板電腦、音頻設備、游戲控制器等消費電子產品。
網絡通信:STM32F407IET6可以應用于網絡路由器、交換機、無線通信設備等。
智能家居:STM32F407IET6可用于智能家居系統,如家庭自動化、智能燈光控制、智能安防系統等。
意法半導體STM32F407IET6的功能方框圖

意法半導體STM32F407IET6的引腳封裝圖


意法半導體STM32F407IET6的絲印圖

詢價列表 ( 件產品)
哦! 它是空的。