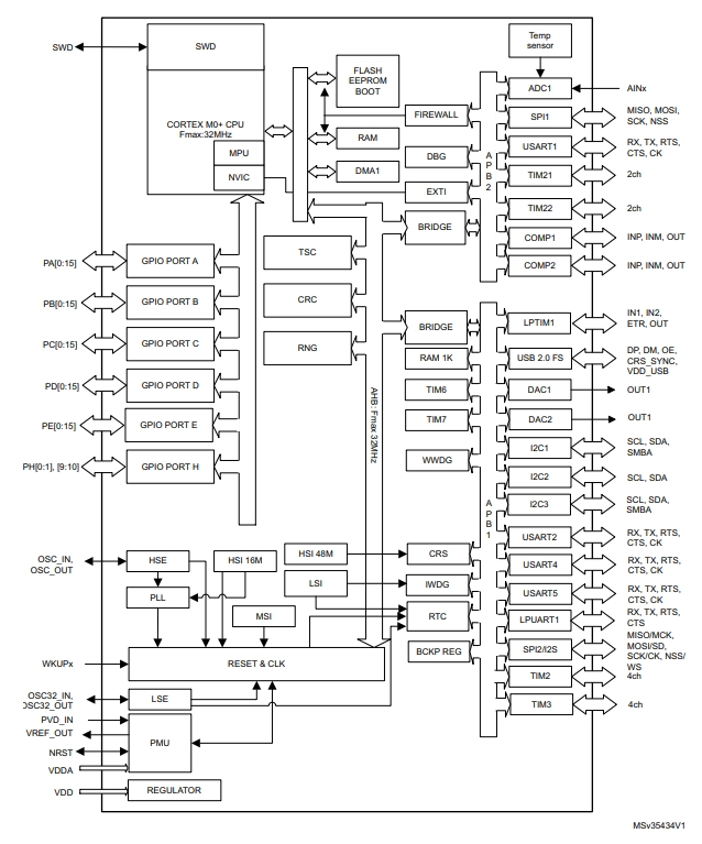
ST(意法半導體)的型號STM32L072RZI6D屬于32位MCU微控制器,結合了通用串行總線(USB 2.0無晶體)的連接能力,高速嵌入式存儲器(高達192 KB的閃存程序存儲器、6 KB的數據EEPROM和20 KB的RAM)以及廣泛的增強型I/O和外圍設備。STM32L072RZI6D提供高功率效率,可實現廣泛的性能。這是通過大量選擇內部和外部時鐘源、內部電壓自適應和幾種低功耗模式實現的。

STM32L072RZI6D提供多種模擬功能,一個帶硬件過采樣的12位ADC、兩個DAC、兩個超低功耗比較器、多個定時器、一個低功耗定時器(LPTIM)、四個通用16位定時器和兩個基本定時器、一臺RTC和一個SysTick(可用作時基)。它們還具有兩個看門狗,一個具有獨立時鐘和窗口功能的看門狗,以及一個基于總線時鐘的窗口看門狗。此外,STM32L072RZI6D嵌入了標準和高級通信接口:最多三個I2C、兩個SPI、一個I2S、四個USART、一個低功耗UART(LPUART)和一個無晶體USB。這些設備提供多達24個電容感測通道,只需為任何應用程序添加觸摸感測功能。
STM32L072RZI6D還包括一個實時時鐘和一組備用寄存器,它們在待機模式下保持通電。超低功率STM32L072RZI6D在1.8至3.6 V電源(斷電時降至1.65 V)下運行,并帶有BOR選項,在1.65至3.6 V的電源下運行,無BOR選項。它們可在-40至+125°C溫度范圍內使用。一組全面的節能模式允許設計低功耗應用。
意法半導體STM32L072RZI6D的中文參數
品牌:ST(意法半導體)
產品分類:32位MCU
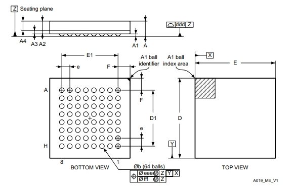
封裝:64-UFBGA(5x5)
核心處理器:ARM Cortex-M0+
內核規格:32-位
速度:32MHz
連接能力:I2C,IrDA,SPI,UART/USART,USB
外設:欠壓檢測/復位,DMA,POR,PWM,WDT
I/O數:51
程序存儲容量:192KB(192K x 8)
程序存儲器類型:閃存
EEPROM容量:6K x 8
RAM大小:20K x 8
電壓-供電(Vcc/Vdd):1.65V ~ 3.6V
數據轉換器:A/D 16x12b;D/A 2x12b
振蕩器類型:內部
工作溫度:-40°C ~ 85°C(TA)
安裝類型:表面貼裝型
基本產品編號:STM32
HTSUS:8542.31.0001
產品應用:超低功耗MCU
意法半導體STM32L072RZI6D的功能特點
1、低功耗特性:采用了意法半導體創新的超低功耗技術,具有出色的功耗效率,廣泛應用于電池供電或低功耗應用場景。
2、高性能:搭載了ARM Cortex-M0+內核,運行頻率高達32 MHz,能夠提供快速的計算能力和高效的數據處理能力。
3、存儲和內存:具備128KB的Flash存儲器和20KB的靜態RAM,能夠滿足較大規模的應用程序和數據存儲需求。
4、豐富的外設接口:包括通用定時器、通用串行接口、SPI接口、I2C接口、USART接口等,可以實現與外部設備的通信和控制。
5、多種通信接口:支持USB接口、I2C總線、SPI總線和UART串口等多種通信接口,方便與其他設備進行數據交換和通信。
6、多種功耗模式:支持多種低功耗模式,如停機模式、睡眠模式和待機模式等,可根據應用需求進行功耗管理,盡可能地延長電池壽命。
7、安全性和保護功能:具備硬件加密功能,支持數據和代碼的加密,保護數據的安全性,也提供了多種保護機制。
意法半導體STM32L072RZI6D的應用領域
STM32L072RZI6D是一款低功耗微控制器,適用于多種應用領域,其主要應用領域如下:
物聯網(IoT):STM32L072RZI6D具有低功耗和豐富的外設功能,可用于各種物聯網應用,如無線傳感器網絡、智能家居、工業自動化等。
傳感器應用:STM32L072RZI6D支持多種常見的傳感器接口,如I2C、SPI和USART等,適用于各種傳感器相關的應用,如環境監測、智能健康設備等。
安全系統:STM32L072RZI6D內置了硬件加密和安全功能,可用于安全系統應用,如門禁系統、智能鎖等。
醫療設備:由于低功耗和高性能,該微控制器適用于各種醫療設備,如便攜式醫療設備、心率監測器等。
智能電表:STM32L072RZI6D具有豐富的I/O接口,適用于智能電表等能源管理應用。
工業控制:STM32L072RZI6D具有高精度模擬和數字接口,可用于工業控制系統,如PLC、工業自動化等。
STM32L072RZI6D的引腳封裝圖


STM32L072RZI6D的功能方框圖

STM32L072RZI6D的型號解釋圖

詢價列表 ( 件產品)
哦! 它是空的。