TI(德州儀器)的型號UCC27524AQDRQ1屬于柵極驅動IC,是一款雙通道、高速、低側、柵極驅動器器件,此器件能夠有效地驅動金屬氧化物半導體場效應晶體管 (MOSFET)和絕緣柵雙極型晶體管(IGBT)電源開關。

UCC27524A-Q1是UCC2752x系列的一個變化器件。為了增加穩定耐用性,UCC27524AQDRQ1在輸入引腳上增加了直接處理-5V 電壓的能力。UCC27524AQDRQ1是一款雙路非反相驅動器。 使用能夠從內部大大降低擊穿電流的設計,UCC27524A-Q1器件能夠將高達5A源電流和5A灌電流的高峰值電流脈傳送到電容負載,此器件還具有軌到軌驅動能力和典型值為13ns的極小傳播延遲。
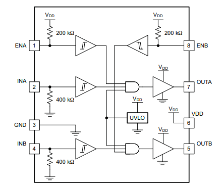
除此之外,此驅動器特有兩個通道間相匹配的內部傳播延遲,這一特性使得此驅動器非常適合于諸如同步整流器等對于雙柵極驅動有嚴格定時要求的應用。這還使得兩個通道可以并連,以有效地增加電流驅動能力或者使用一個單一輸入信號驅動兩個并聯在一起的開關。輸入引腳閥值基于TTL和CMOS兼容低壓邏輯,此邏輯是固定的并且與VDD電源電壓無關。高低閥值間的寬滯后提供了出色的抗擾度。
UCC27524AQDRQ1的功能特點
1、高集成度:UCC27524AQDRQ1的集成度高,內部集成了兩個獨立的驅動器通道,可同時驅動兩個MOSFET。這種高度集成的設計簡化了系統的布局和連接。
2、高速驅動能力:UCC27524AQDRQ1具有快速的開關速度和響應時間,能夠實現高效的MOSFET開關控制。它支持高頻率的開關操作,并具有快速的上升和下降沿。
3、高電流驅動能力:UCC27524AQDRQ1具有高電流驅動能力,能夠提供足夠的電流來快速充放電MOSFET的輸入和輸出電容。這有助于降低開關過程中的功耗和溫度升高。
4、低功耗:UCC27524AQDRQ1采用了低功耗的設計,能夠盡可能地減少系統的能耗。它在非開關狀態下能夠降低功耗,并且支持睡眠模式以進一步降低功耗。
5、高穩定性和可靠性:UCC27524AQDRQ1具有內部的過流保護、過溫保護和欠壓保護功能,以確保系統的安全性和穩定性。此外,它還具有短路保護和無干擾抗干擾能力。
UCC27524AQDRQ1的應用領域
UCC27524AQDRQ1是一款汽車級別的高速雙通道MOSFET驅動器,廣泛應用于汽車電子系統中,其主要應用領域如下:
1、汽車電動汽車 (EV) 和混合動力車 (HEV) 系統:UCC27524AQDRQ1可用于控制電動汽車和混合動力車的電池管理系統、電機驅動系統和能量轉換系統。
2、汽車照明系統:該器件可用于控制汽車前照燈、大燈和其他照明裝置,提供高效的驅動和保護功能。
3、汽車電源管理:UCC27524AQDRQ1可用于汽車電子系統中的電源管理,包括電源開關、電源穩壓、電源保護等功能。
4、汽車安全和安全系統:該器件可用于控制汽車安全和安全系統,如防撞系統、剎車系統和穩定控制系統。
5、汽車通信系統:UCC27524AQDRQ1可用于汽車通信系統中的信號發送和接收,包括汽車網絡、娛樂系統和無線通信系統。
UCC27524AQDRQ1的中文參數
品牌:TI(德州儀器)
產品分類:柵極驅動IC
封裝:SOIC-8
電壓-供電:4.5V~18V
工作溫度:-40°C~140°C(TJ)
安裝類型:表面貼裝型
基本產品編號:UCC27524A-Q1
HTSUS:8542.39.0001
驅動配置:低端
通道類型:獨立式
驅動器數:2
柵極類型:IGBT,N溝道MOSFET
邏輯電壓-VIL,VIH:1V,2.3V
電流-峰值輸出(灌入,拉出):5A,5A
輸入類型:非反相
上升/下降時間(典型值):7ns,6ns
產品應用:汽車級
UCC27524AQDRQ1的引腳封裝圖


UCC27524AQDRQ1的功能方框圖

詢價列表 ( 件產品)
哦! 它是空的。