ST(意法半導體)的型號STM32L072CZY6TR屬于32位MCU微控制器,結合了通用串行總線(USB2.0無晶體)的連接能力,高速嵌入式存儲器(高達192KB的閃存程序存儲器、6KB的數據EEPROM和20KB的RAM)以及廣泛的增強型I/O和外圍設備。

STM32L072CZY6TR提供高功率效率,可實現廣泛的性能。這是通過大量選擇內部和外部時鐘源、內部電壓自適應和幾種低功耗模式實現的。STM32L072CZY6TR提供多種模擬功能,一個帶硬件過采樣的12位ADC、兩個DAC、兩個超低功耗比較器、多個定時器、一個低功耗定時器(LPTIM)、四個通用16位定時器和兩個基本定時器、一臺RTC和一個SysTick(可用作時基)。
它們還具有兩個看門狗,一個具有獨立時鐘和窗口功能的看門狗,以及一個基于總線時鐘的窗口看門狗。此外,STM32L072CZY6TR嵌入了標準和高級通信接口:最多三個I2C、兩個SPI、一個I2S、四個USART、一個低功耗UART(LPUART)和一個無晶體USB。這些設備提供多達24個電容感測通道,只需為任何應用程序添加觸摸感測功能。
STM32L072CZY6TR還包括一個實時時鐘和一組備用寄存器,它們在待機模式下保持通電。超低功率STM32L072xx設備在1.8至3.6 V電源(斷電時降至1.65 V)下運行,并帶有BOR選項,在1.65至3.6 V的電源下運行,無BOR選項。它們可在-40至+125°C溫度范圍內使用。
STM32L072CZY6TR的功能特點
處理器性能:配備了32位ARM Cortex-M0+內核,主頻最高可達32 MHz,提供高性能的處理能力。
低功耗設計:采用了意法半導體的超低功耗技術,具有優異的功耗管理功能,可有效延長電池壽命。
存儲器和存儲器擴展:具備64KB的Flash存儲器和20KB的SRAM,可存儲大量的程序和數據,并支持存儲器擴展,滿足不同應用需求。
豐富的外設接口:支持多種通信接口,包括SPI、I2C、USART、UART等,以及模擬接口如ADC和DAC,可實現多種外圍設備的連接和數據交換。
靈活的時鐘系統:具備多種時鐘源,支持內部晶振和外部晶振,能夠適應不同的應用場景和精度要求。
安全性和保護性:提供硬件加密和安全性增強功能,可保護存儲在芯片中的數據和代碼的安全性。
豐富的軟件生態系統:意法半導體提供了一套完整的軟件開發工具和支持庫,方便開發者進行軟件開發和調試。
STM32L072CZY6TR的中文參數
品牌:ST(意法半導體)
產品分類:32位MCU
封裝:49-WLCSP
核心處理器:ARM Cortex-M0+
內核規格:32-位
速度:32MHz
連接能力:I2C,IrDA,SPI,UART/USART,USB
外設:欠壓檢測/復位,DMA,POR,PWM,WDT
I/O數:40
程序存儲容量:192KB(192K x 8)
程序存儲器類型:閃存
EEPROM容量:6K x 8
RAM大小:20K x 8
電壓-供電(Vcc/Vdd):1.65V ~ 3.6V
數據轉換器:A/D 13x12b; D/A 2x12b
振蕩器類型:內部
工作溫度:-40°C ~ 85°C(TA)
安裝類型:表面貼裝型
基本產品編號:STM32
HTSUS:8542.31.0001
產品應用:超低功耗MCU
STM32L072CZY6TR的應用領域
STM32L072CZY6TR是一款低功耗MCU微控制器,其主要應用領域如下:
物聯網(IoT)應用:STM32L072CZY6TR的低功耗特性使其非常適合用于各種物聯網設備,如智能家居、智能城市、工業自動化和農業監測等。
低功耗設備:由于STM32L072CZY6TR具有出色的低功耗特性,因此它廣泛應用于需要長時間電池壽命的設備,比如便攜設備、智能手表和傳感器等。
醫療設備:STM32L072CZY6TR的高性能和低功耗使其成為醫療設備領域的理想選擇,例如便攜式醫療診斷設備、健康監測設備和心臟起搏器等。
工業自動化:STM32L072CZY6TR的高性能和強大的通信功能使其非常適合用于工業自動化領域,例如工業控制器、機器人和儀表等。
STM32L072CZY6TR的引腳封裝圖


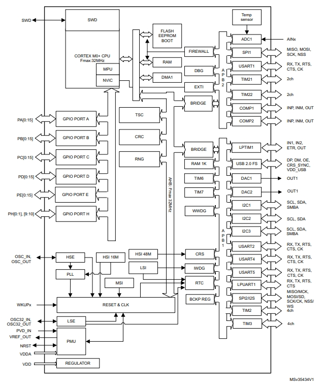
STM32L072CZY6TR的功能方框圖

STM32L072CZY6TR的型號解釋圖

詢價列表 ( 件產品)
哦! 它是空的。