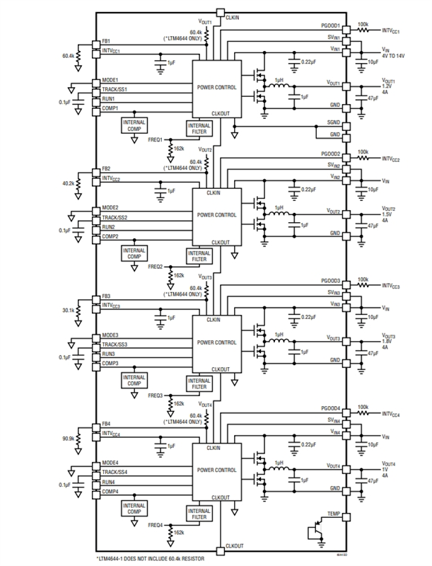
ADI(亞德諾)的型號LTM4644IY#PBF屬于電源模塊,是一個四路DC/DC降壓μModule(微模塊)調節器,每個輸出4A。輸出可以并聯在一個數組中,最高可達16A能力。包中包括開關控制器,功率場效應晶體管,電感器和支持組件。
LTM4644IY#PBF外部偏置供電,輸入電壓范圍為4V~14V或2.375V~14V,輸出電壓范圍為0.6V~5.5V。其高效率的設計提供了每個通道4A連續(5A峰值)的輸出電流,只需要大量的輸入和輸出電容。

亞德諾LTM4644IY#PBF的中文參數
品牌:ADI(亞德諾)
產品分類:電源模塊
系列:μModule?
電壓 - 輸出 2:0.6 ~ 5.5V
電壓 - 輸出 3:0.6 ~ 5.5V
電壓 - 輸出 4:0.6 ~ 5.5V
包裝:托盤
電流 - 輸出(最 大值):4A,4A,4A,4A
應用:ITE(商業)
類型:非隔離 PoL 模塊
特性:OCP,OTP,OVP
輸出數:4
工作溫度:-40°C ~ 125°C
電壓 - 輸入(最小值):4V
電壓 - 輸入(最 大值):14V
安裝類型:表面貼裝型
電壓 - 輸出 1:0.6 ~ 5.5V
封裝:77-BGA
亞德諾LTM4644IY#PBF的功能特點
1、每路輸出可提供 4A 電流的四通道輸出降壓型 μModule? 穩壓器
2、寬輸入電壓范圍:4V 至 14V
3、2.375V 至 14V (采用外部偏置)
4、0.6V 至 5.5V 輸出電壓
5、每通道可提供 4A DC、5A 峰值輸出電流
6、高達 5.5W 功耗 (TA = 60oC,200 LFM,無散熱器)
7、±1.5% 的總輸出電壓調節
8、電流模式控制、快速瞬態響應
9、可通過并聯提供更高的輸出電流
10、輸出電壓跟蹤
11、內部溫度檢測二極管輸出
12、外部頻率同步
13、過壓、過流和過熱保護
14、9mm x 15mm x 5.01mm BGA 封裝
亞德諾LTM4644IY#PBF的應用領域
LTM4644IY#PBF是一款高性能的運算放大器,適用于需要高精度、高帶寬、低噪聲和低失真的應用場合,其主要應用領域如下:
測試與測量:AD8675ARZ在測試設備、儀器儀表和自動化設備中得到廣泛應用,用于增益放大、傳感器信號處理和電壓比較等功能。
醫療設備:由于AD8675ARZ具有低噪聲和高精度的特性,因此在醫療設備中被廣泛應用,如心電圖儀、超聲波設備、血壓監測儀等。
通信與網絡設備:AD8675ARZ在通信和網絡設備中用于信號處理、濾波、放大和驅動等功能,例如調制解調器、組播系統、寬帶通信設備等。
音頻設備:AD8675ARZ可用于高保真音頻放大器、音頻接口、音頻測試設備等,為音頻信號的放大和處理提供精確和準確的性能。
電力測量與控制:AD8675ARZ可以在電力測量和控制系統中提供高精度的信號處理和放大功能,用于電流、電壓和功率測量等應用。


LTM4644IY#PBF的引腳封裝圖

LTM4644IY#PBF的功能框圖
詢價列表 ( 件產品)
哦! 它是空的。