ST(意法半導體)的型號STM32F303VET6TR屬于32位高性能MCU,基于高性能ARM?Cortex?-M4 32位RISC內核,FPU工作頻率為72MHz,內置浮點單元(FPU)、內存保護單元(MPU)和嵌入式跟蹤宏單元(ETM),包括高速嵌入式存儲器(512KB閃存、80KB SRAM)、用于靜態存儲器(SRAM、PSRAM、NOR和NAND)的靈活存儲器控制器(FSMC),以及連接到AHB和兩條APB總線的大量增強型I/O和外圍設備。

STM32F303VET6TR提供四個快速12位ADC(5 Msps)、七個比較器、四個運算放大器、兩個DAC通道、一個低功耗RTC、多達五個通用16位定時器、一個通用32位定時器以及多達三個專用于電機控制的定時器。它們還具有標準和高級通信接口:最多三個I2C、最多四個SPI(兩個SPI具有多路復用全雙工I2S)、三個USART、最多兩個UART、CAN和USB。為了實現音頻級精度,可以通過外部PLL對I2S外圍設備進行計時。
STM32F303VET6TR的功能特點
1、高性能處理能力:STM32F303VET6TR采用Cortex-M4內核,最高主頻可達72MHz,具有高效的指令集和算術運算單元,能夠支持多種復雜的算法和數據處理任務,適用于各種應用場景。
2、多種通信接口:STM32F303VET6TR內置了多種通信接口,包括多個SPI、I2C、USART和CAN總線接口,支持與外部設備的高速通信和數據交換,方便與其他設備進行通信和數據傳輸。
3、豐富的外設功能:STM32F303VET6TR集成了多種常用的外設功能模塊,如模數轉換器(ADC)、數字模擬轉換器(DAC)、通用定時器(TIM)等,可以滿足各種應用的需求,如測量、控制和定時任務等。
4、豐富的存儲器資源:STM32F303VET6TR內置了512KB的Flash存儲器和80KB的SRAM,可以存儲程序代碼和數據,同時還支持外部存儲器接口,如SPI Flash和SD卡等,為系統提供更大的存儲容量。
5、低功耗設計:STM32F303VET6TR采用了意法半導體先進的低功耗技術,包括多種低功耗模式和智能功耗管理功能,能夠在保證性能的前提下盡可能地減少功耗,延長系統的電池壽命。
6、強大的集成能力:STM32F303VET6TR集成了多種基本功能模塊,如時鐘、復位和電源管理等,提供了豐富的外設接口和功能,減少了外部組件的需求,簡化了系統設計和布局。
7、豐富的軟件支持:STM32F303VET6TR支持意法半導體的STM32Cube軟件生態系統,提供了豐富的軟件庫和工具,方便開發人員進行軟件開發、調試和測試。
STM32F303VET6TR的應用領域
STM32F303VET6TR是一款高性能32位ARM Cortex-M4微控制器,其主要應用領域如下:
1、工業自動化:STM32F303VET6TR可以用于各種工業自動化應用,包括工業控制器、PLC(可編程邏輯控制器)、驅動器等。它提供了豐富的通信接口(如CAN、SPI、I2C、USART等),可以與各種外部設備進行高效的數據交換和通信,支持實時控制和監控。
2、物聯網(IoT):STM32F303VET6TR適用于物聯網設備的開發,能夠連接傳感器、執行器和云平臺。它具有低功耗特性和高效的睡眠模式,可延長設備的電池壽命。此外,它支持各種無線通信標準(如Wi-Fi、藍牙、LoRa等),可以實現設備之間的遠程通信和互聯。
3、消費類電子產品:STM32F303VET6TR適合用于消費類電子產品的開發,例如智能家居設備、智能電子設備和嵌入式系統等。它具有豐富的外設接口和高性能的處理能力,能滿足不同消費者電子產品的需求。
4、醫療設備:STM32F303VET6TR可以應用于醫療設備的開發,如心臟監測器、血壓計、血糖儀等。它支持高精度的模擬輸入和數字信號處理,可以實現準確的測量和數據處理。
5、智能電網:STM32F303VET6TR可用于智能電網設備的開發,如智能電表、電能管理系統等。它支持多種通信接口和協議,能夠實現電能數據的收集、傳輸和處理。
STM32F303VET6TR的中文參數
品牌:ST(意法半導體)
產品分類:32位MCU
程序存儲容量:512KB(512K x 8)
程序存儲器類型:閃存
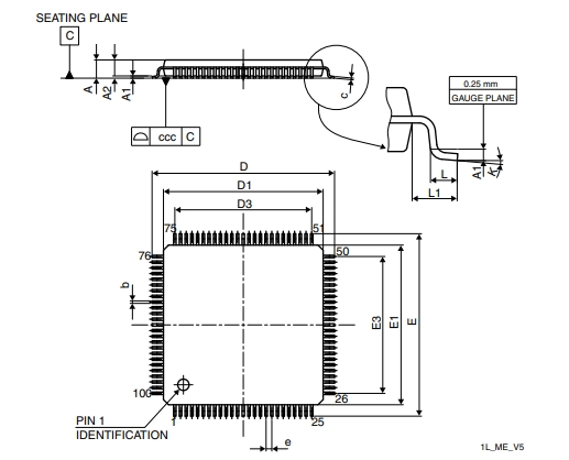
封裝:100-LQFP(14x14)
RAM大小:80K x 8
包裝:圓盤
電壓-供電(Vcc/Vdd):2V ~ 3.6V
商品標簽:通用類MCU
數據轉換器:A/D 39x12b; D/A 2x12b
核心處理器:ARM Cortex-M4
振蕩器類型:內部
內核規格:32-位
工作溫度:-40°C ~ 85°C(TA)
速度:72MHz
安裝類型:表面貼裝型
連接能力:CANbus,I2C,IrDA,LIN,SPI,UART/USART,USB
基本產品編號:STM32F303
外設:DMA,I2S,POR,PWM,WDT
I/O數:86
STM32F303VET6TR的引腳封裝圖


STM32F303VET6TR的原理圖

STM32F303VET6TR的型號解釋圖

詢價列表 ( 件產品)
哦! 它是空的。