STM32F103RCT6單片機作為意法半導體芯片系列的一員,備受工程師和制造商的青睞。本文將為您詳細介紹STM32F103RCT6單片機的特點和優勢。

首先,讓我們來看看STM32F103RCT6的主要特點。這款單片機采用了32位ARM Cortex-M3內核,具有高性能和低功耗的特點。它運行頻率高達72MHz,并且內置了豐富的外設接口,如多個通用定時器、串行通信接口、USB接口等。此外,STM32F103RCT6還擁有豐富的存儲器資源,包括64KB Flash存儲器和20KB RAM。這使得它能夠支持大容量的應用程序和數據存儲需求。
除了強大的性能和豐富的外設接口,STM32F103RCT6還具有出色的可靠性和穩定性。它采用了意法半導體獨有的技術和制造工藝,可以在惡劣的工作環境下長時間穩定運行。它還具有電子復位功能,可以有效地應對突發的電壓波動和噪聲干擾。這使得STM32F103RCT6在工業控制、汽車電子、醫療設備等領域得到廣泛應用。
STM32F103RCT6的優勢不僅僅在于硬件性能,它還配備了豐富的軟件開發工具和生態系統支持。意法半導體提供了完善的開發平臺和開發工具鏈,開發人員可以輕松地編寫、調試和優化他們的應用程序。此外,意法半導體還提供了一系列的參考設計和示例代碼,可以幫助工程師快速上手。與此同時,STM32F103RCT6也得到了廣泛的社區支持,開發者可以在論壇和社區中獲取寶貴的經驗和技術支持。
參數
主頻:72MHz
存儲器:256KB閃存、20KB SRAM
通信接口:USB、CAN、SPI、I2C、USART
ADC:12位,16個通道
定時器:16位、32位定時器、PWM輸出
CPU內核:CM3
RAM總容量:48KB
GPIO端口數量:51
工作電壓范圍:2V~3.6V
程序存儲器類型:FLASH
工作溫度范圍:-40℃~+85℃
ADC(位數):12bit
DAC(位數):12bit
應用
工業控制
打印機
掃描儀
家用電器
汽車電子
醫療設備
機械設備

引腳圖

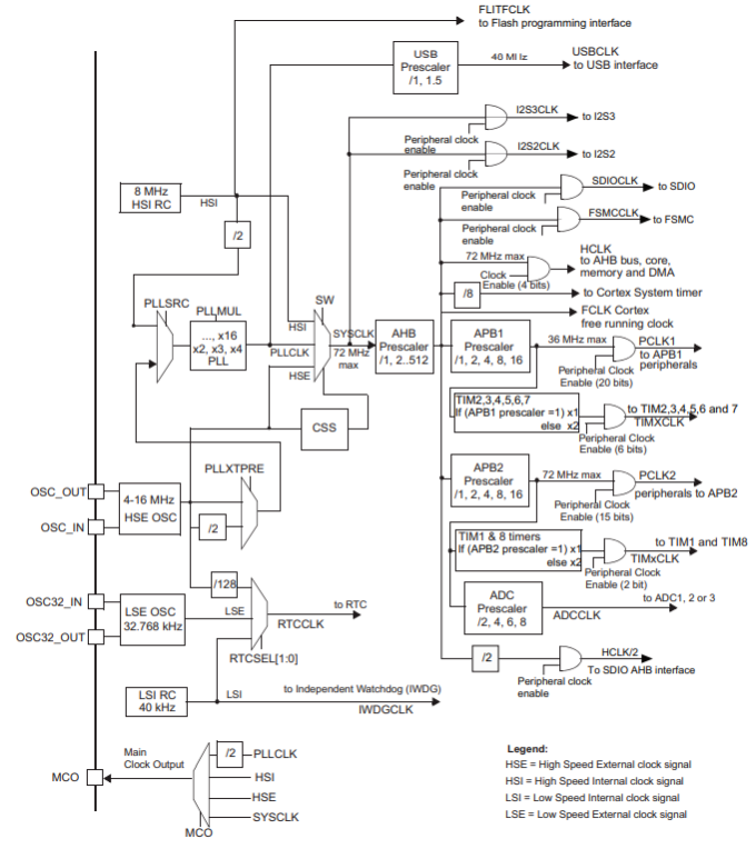
時鐘樹圖

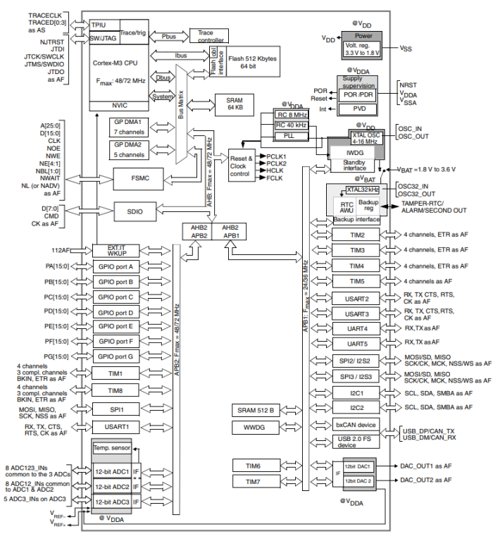
功能框圖
詢價列表 ( 件產品)
哦! 它是空的。