天微TM1652 是一款LED(發光二極管、數碼管、點陣屏)驅動控制專用芯片,內部集成了數字通訊電路、 解碼電路、數據鎖存器、震蕩器、LED驅動電路。通訊方式采用異步串口通信(UART)協議,因芯片只 接收單片機發來的數據,僅需要單片機的一個TX端口發送數據給芯片即可,實現單線通訊;在顯示驅動 方面,芯片采用動態掃描方式,兩種顯示模式可選,8級段驅動電流可調,16級位占空比可調;TM1652 內置消隱處理優化電路。 本產品應用在各種消費類電子產品上,用途非常廣泛。

應用
空調面板
洗衣機面板
DVD 顯示面板
機頂盒顯示等
功能特點
采用功率CMOS工藝
典型工作電壓:5V
支持共陰數碼管顯示
兩種顯示模式(7段×6位,8段×5位)
輝度調節電路(位占空比16級可調、段驅動電流8級可調)
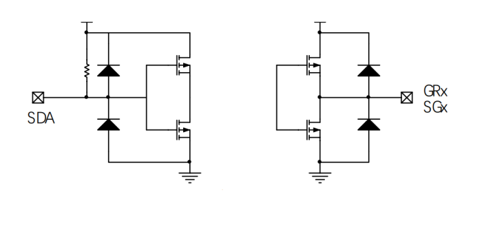
串行接口(SDA),兼容串口通信(UART)協議,支持波特率19200bps
內置 OSC 頻率 2.5M
內置上電復位電路
內置針對暗亮問題的優化電路
封裝形式:SOP16
引腳


輸入輸出等效電路

結構方框圖

詢價列表 ( 件產品)
哦! 它是空的。