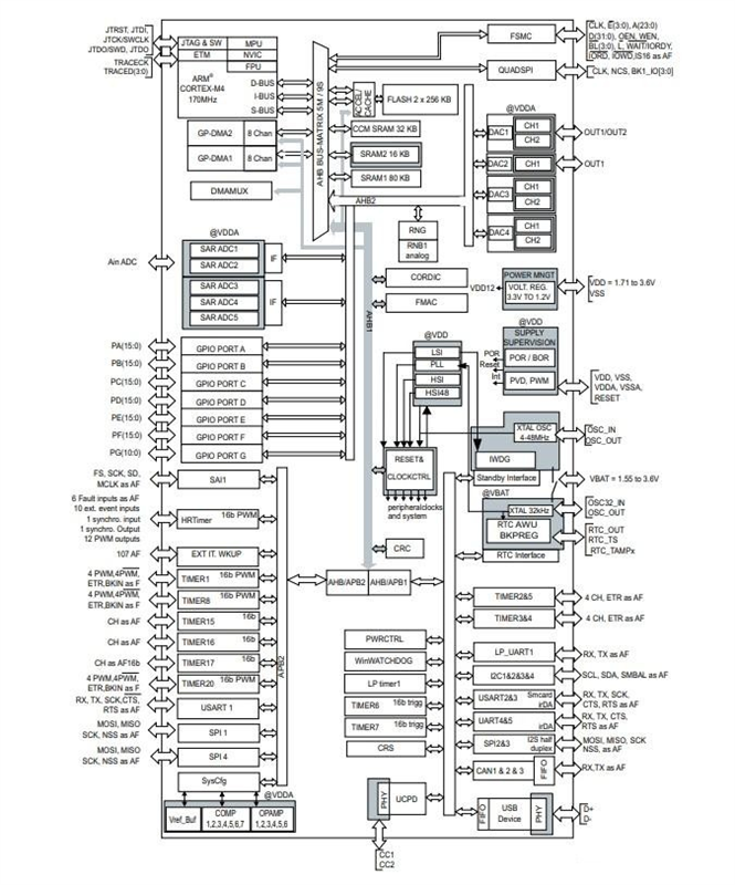
STM32G474QET6是ST(意法半導體)32位MCU微控制器,基于高性能Arm?Cortex?-M4 32位RISC內核,工作頻率高達170MHz。Cortex-M4內核具有單精度浮點單元(FPU),支持所有Arm單精度數據處理指令和所有數據類型。它還實現了一整套DSP(數字信號處理)指令和一個增強應用程序安全性的存儲器保護單元(MPU)。

STM32G474QET6嵌入了高速存儲器(512KB的閃存和128KB的SRAM)、用于靜態存儲器的靈活外部存儲器控制器(FSMC)(適用于100引腳及以上封裝的設備)、Quad SPI閃存接口以及連接到兩條APB總線、兩條AHB總線和32位多AHB總線矩陣的大量增強型I/O和外圍設備。
STM32G474QET6還為嵌入式閃存和SRAM嵌入了幾種保護機制:讀出保護、寫入保護、安全存儲區域和專有代碼讀出保護。STM32G474QET6嵌入了允許數學/算術函數加速的外圍設備(CORDIC用于三角函數,FMAC單元用于濾波函數)。
STM32G474QET6提供五個快速12位ADC(5 Msps)、七個比較器、六個運算放大器、七個DAC通道(3個外部和4個內部)、一個內部電壓參考緩沖器、一個低功耗RTC、兩個通用32位定時器、三個專用于電機控制的16位PWM定時器、七個通用16位定時器、一個16位低功耗定時器以及184 ps分辨率的高分辨率定時器。
STM32G474QET6的中文參數
品牌:ST(意法半導體)
產品分類:32位MCU
封裝:128-LQFP(14x14)
包裝:托盤
核心處理器:ARM Cortex-M4F
內核規格:32-位
速度:170MHz
連接能力:CANbus,I2C,IrDA,LINbus,QSPI,SPI,UART/USART
外設:欠壓檢測/復位,DMA,I2S,POR,PWM,WDT
I/O數:107
程序存儲容量:512KB(512K x 8)
程序存儲器類型:閃存
EEPROM容量:-
RAM大?。?28K x 8
電壓-供電(Vcc/Vdd):1.71V ~ 3.6V
數據轉換器:A/D 42x12b; D/A 7x12b
振蕩器類型:內部
工作溫度:-40°C ~ 85°C(TA)
安裝類型:表面貼裝型
基本產品編號:STM32
HTSUS:8542.31.0001
產品應用:高性能MCU
STM32G474QET6的功能特點
1、高性能:搭載了最高頻率為170MHz的ARM Cortex-M4內核,具有高性能的計算能力和響應速度,能夠滿足多種復雜應用的需求。
2、豐富的外設接口:擁有豐富的外設接口,包括USB、CAN、SPI、I2C、UART等多種通信接口,以及ADC和DAC等模數轉換接口,能夠滿足不同應用場景對外設接口的需求。
3、低功耗設計:支持多種低功耗模式,包括待機模式、睡眠模式和停機模式,能夠有效降低功耗,延長系統電池壽命。
4、安全性:具有硬件加密模塊、安全存儲器和安全啟動功能,能夠提供高級的系統安全保護,防范數據泄露和系統入侵風險。
5、全面的外設支持:支持各種外設的先進功能和特性,如先進的定時器、PWM控制器、片內溫度傳感器等,能夠滿足多種應用的需求。
6、豐富的軟件支持:提供了豐富的軟件開發工具和支持,包括Cortex-M4處理器的軟件開發工具鏈、實時操作系統(RTOS)支持、代碼庫和示例代碼等。
STM32G474QET6的應用領域
STM32G474QET6是一款高性能的32位ARM Cortex-M4微控制器,適用于各種應用領域,其主要應用領域如下:
1、工業控制和自動化:STM32G474QET6具有豐富的外圍接口和高性能的處理能力,可用于工業自動化領域中的PLC(可編程邏輯控制器)、工業機器人、傳感器接口和數據采集等應用。
2、智能電力系統:STM32G474QET6適合用于電力系統監控、電能質量分析、智能電表和能源管理系統,具備實時控制和高精度測量功能。
3、物聯網設備:STM32G474QET6支持多種通信接口,包括SPI、I2C、UART和USB,適用于物聯網設備中的傳感器節點、智能家居設備和工業物聯網解決方案。
4、消費類電子產品:由于其低功耗特性和豐富的連接能力,STM32G474QET6也可應用于消費類電子產品,如智能手表、智能家居設備、無人機和可穿戴設備等。
STM32G474QET6的引腳圖

STM32G474QET6的原理圖

STM32G474QET6的封裝圖

STM32G474QET6的料號解釋圖

詢價列表 ( 件產品)
哦! 它是空的。