飛特帝亞FT601Q-B-T是一款USB 3.0到FIFO接口橋接芯片。
代理商永芯易科技:如有飛特帝亞FT601Q-B-T采購需求可通過聯系客服獲取芯片產品規格書或芯片樣品測試(樣品測試:終端廠家專享,需提供公司信息)。

特征
支持USB 3.0超高速(5Gbps)/USB
2.0高速(480Mbps)/USB 2.0全速
傳輸速度(12Mbps)。
支持的USB傳輸類型:
控制/批量/中斷
最多8個可配置端點(PIPE)。
支持2個并行從FIFO總線協議
245和FIFO模式,FT601帶32位
并行接口的數據突發率上升
至400MB/s。
支持4個輸入通道和4個輸出通道
在FIFO總線連接上。
內置16kB FIFO數據緩沖RAM。
支持遠程喚醒功能。
支持多電壓I/O:1.8V、2.5V和3.3V。
可配置GPIO支持。
內部LDO 1.0V調節器。
集成上電復位電路。
用戶可編程USB描述符。
支持電池充電規范BC1.2電池充電
偵查
提供FT600-16位/FT601-32位FIFO接口。
工業操作溫度范圍:-40至85?C
提供緊湊型無鉛QFN-76(32位)和QFN56(16位)封裝(均符合RoHS)
應用場合
將舊版外圍設備升級到USB
利用USB增加系統模塊性
基于PLD/FPGA的設計與USB 3.0的接口
USB 3.0數據采集
USB 3.0數字攝像機接口
USB 3.0數碼相機
打印機/掃描儀的USB 3.0接口
醫療/工業成像設備
USB 3.0儀器
方框圖

引腳

總線供電配置-3.3V I/O電路圖

總線供電配置-2.5V/1.8V I/O電路圖

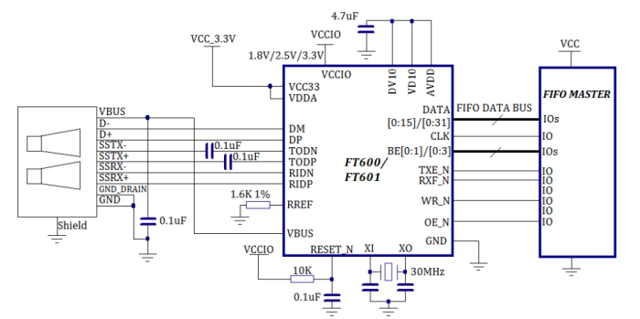
FT600/FT601連接到FIFO主接口(多通道FIFO模式)

FT600/FT601連接到FIFO主接口(245同步FIFO模式)

詢價列表 ( 件產品)
哦! 它是空的。