BQ32000設備是行業標準實時時鐘的兼容替代品。
BQ32000配備了帶集成涓流充電器的自動備用電源。備用電源可以使用電容器或不可充電電池來實現。BQ32000具有從–63 ppm到+126 ppm的可編程校準調整。BQ32000寄存器包括指示RTC振蕩器狀態的OF(振蕩器故障)標志,以及允許主機處理器禁用振蕩器的STOP位。時間寄存器通常每秒更新一次,同時更新所有寄存器以防止計時故障。BQ32000包括自動閏年補償。

特性
自動切換到備用電源
I2C接口支持高達400 kHz的串行時鐘
使用32.768-kHz晶體,具有–63 ppm至
+126 ppm調整
集成振蕩器故障檢測
8引腳SOIC封裝
–40°C至85°C環境工作溫度
應用
通用消費類電子產品
參數

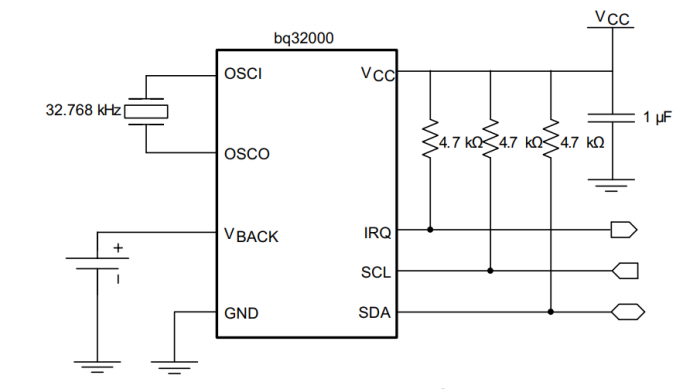
BQ32000簡化示意圖

封裝引腳

功能框圖

應用示意圖

詢價列表 ( 件產品)
哦! 它是空的。