TI德州儀器生產的CSD18511KCS作為 40V、2.1mΩ、TO-220 NexFET?功率 MOSFET 被設計成大大降低功率轉換 損耗的理想選擇。

CSD18511KCS特性
低 Qg和 Qgd
低 RDS(ON)
低熱阻
雪崩額定值
無鉛引腳鍍層
符合 RoHS 環保標準
無鹵素
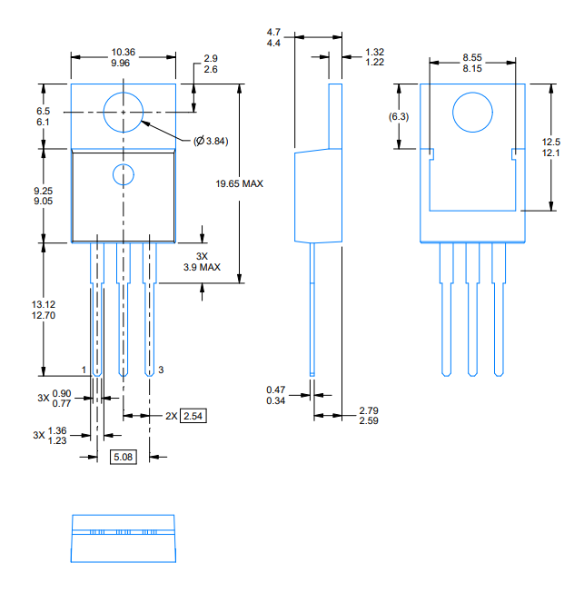
晶體管 (TO)-220 塑料封裝
CSD18511KCS應用范圍
? 次級側同步整流器
? 電機控制
應用框圖

封裝引腳圖

其他數據



如果您需要采購或者了解TI德州儀器和其他進口品牌相關芯片產品的數據手冊、規格書、價格、樣品測試請聯系我們。
詢價列表 ( 件產品)
哦! 它是空的。