TI德州儀器UCC14140-Q1 是一款符合汽車標準的高隔離電壓直流/直流電源模塊,旨在為 IGBT 或 SiC 柵極驅動器供電。 UCC14140-Q1 集成了一個變壓器和一個具有專有架構的直流/直流控制器,可實現高功率密度和非常低的發射。高精度輸出電壓可提供更好的通道增強,從而實現更高的系統效率,不會對功率器件柵極造成過應力。 UCC14140-Q1 的輸入電壓支持電動汽車的寬 LiFePO 4 電池電壓 (8V-18V) 和 12V 穩壓電源軌 (10.8V-13.2V),具有不同的輸出功率。
這款完全集成的模塊具有片上器件保護功能,需要非常少的外部元件,可提供額外的特性,例如輸入欠壓鎖定、過壓鎖定、輸出電壓電源正常比較器、過熱關斷、軟啟動超時、可調隔離式正負輸出電壓、使能引腳和開漏輸出電源正常引腳。
UCC14140-Q1特性
采用隔離變壓器的完全集成高密度隔離式直流/直流模塊
隔離式直流/直流模塊,用于驅動:IGBT、SiC FET
輸入電壓范圍:8 V 至 18 V,絕對最大值為 32V
在 T A ≤ 85°C 且 10.8V < V VIN < 13.2V 時的輸出功率為 1.5W
在 T A ≤ 85°C 且 8V < V VIN < 18V 時的輸出功率為 1W
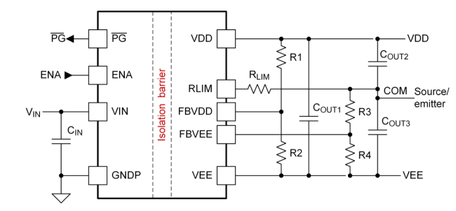
可調節的 (VDD – VEE) 輸出電壓(通過外部電阻器):在整個溫度范圍內為 15V 至 25V,調節精度為 ±1.3%
可調節的 (COM – VEE) 輸出電壓(通過外部電阻器):在整個溫度范圍內為 2.5V 至 (VDD – VEE),調節精度為 ±1.3%
通過展頻調制和集成變壓器降低電磁發射
使能、電源正常、UVLO、OVLO、軟啟動、短路、功率限制、欠壓、過壓和過熱保護
CMTI > 150kV/μs
符合面向汽車應用的 AEC-Q100 標準
溫度等級 1:–40°C ≤ T J ≤ 150°C
溫度等級 1:–40°C ≤ T A ≤ 125°C
提供功能安全
有助于進行功能安全系統設計的文檔
計劃的安全相關認證:
符合 DIN EN IEC 60747-17 (VDE 0884-17) 標準的 5657VPK 基礎型隔離
符合 UL 1577 標準且長達 1 分鐘的 3000VRMS 隔離
符合 CQC GB4943.1 標準的基本絕緣
36 引腳寬體 SSOP 封裝
UCC14140-Q1應用領域
混合動力、電動和動力系統(EV/HEV)
變頻器及電機控制
車載(OBC)和無線充電器
字符串逆變器
馬達驅動
交流變頻器和變頻驅動,機器人伺服驅動
工業運輸
非公路車輛電動驅動
直流-直流轉換器
電網基礎設施
電動汽車充電站電源模塊
直流充電(樁)站

UCC14140-Q1簡化版應用圖

UCC14140-Q1功能方框圖

封裝引腳圖


引腳功能說明


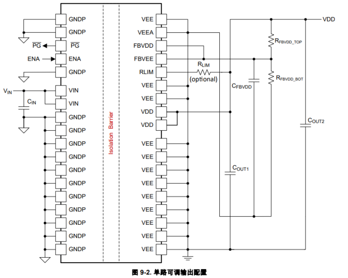
隔離負載供電的 UCC14140-Q1 器件配置的典型應用原理圖
詢價列表 ( 件產品)
哦! 它是空的。